Your browser does not support JavaScript! PSG Progettazione Stampi - Progettazione
Psg progetta stampi per ogni settore produttivo.

Abbiniamo alla nostra profonda conoscenza dei materiali di stampaggio e delle problematiche di produzione un design creativo ed idee innovative.

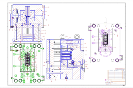
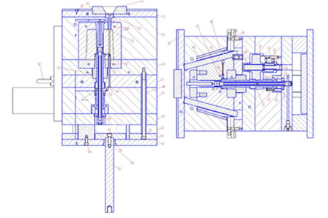
Effettuiamo la modellizzazione totale dello stampo con messa in tavola.

Forniamo il nostro servizio di progettazione stampi sia ad aziende dotate di un proprio reparto interno di progettazione, sia ad aziende che ne sono prive.


Psg effettua preventivi gratuiti e completi di tutte le fasi.
 
Slideshow Image 1 Slideshow Image 3 Slideshow Image 4 Slideshow Image 5 Slideshow Image 6